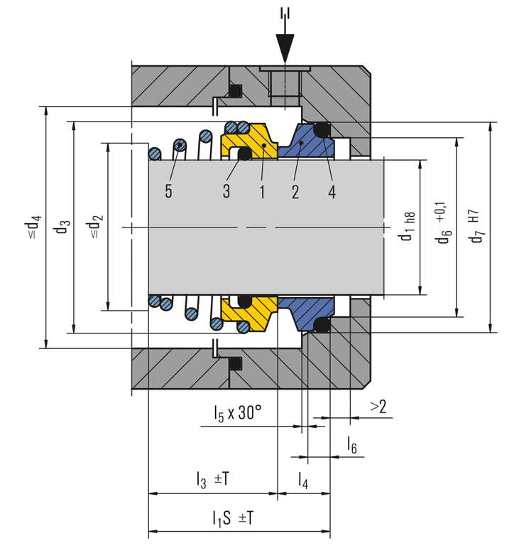
Item Description
1 Seal ring
2 Mating ring
3, 4 O-Ring
5 Spring


Drawing shows type AX30S

AX30

Features

  • Unbalanced
  • Dependent on direction of rotation
  • Solid seats

Advantages

  • Suitable-to-ceramic design
  • Only few parts
  • Easy to flush

Operating range

Shaft diameter:
d1 = 10 … 80 mm (0.39" ... 3.15")
Pressure: p1= 20 bar (290 PSI)
Temperature:
t = -40 °C … 220 °C (-40 °F … 428 °F)
Sliding velocity: vg = 15 m/s (49 ft/s)

Materials

Seal face: Silicon Carbide (Q1, Q2)
Seat: Carbon graphite resin impregnated (B), Silicon carbide (Q1, Q2)
Secondary seals: EPDM (E), NBR (P), FKM (V), FFKM (K)
Springs: CrNiMo steel (G)

Standards and approvals

  • EN 12756



Product variants

AX30K
For installation space acc. to EN12756.

Similar products

AX25

  • External configuration
  • Balanced
  • Independent of direction of rotation
  • Independent of pressure direction

AX25D

  • Dual seal
  • Balanced
  • Independent of direction of rotation
  • Independent of pressure direction

AX40K

  • Stationary springs
  • Balanced
  • Independent of direction of rotation
  • Independent of pressure direction
Contact

Inquire about individual solutions

We develop and produce customer-specific special and individual solutions for every application.

Inquire now Discover reference projects
Back to the overview